Audiotech Intercom Model 460 Wiring Diagram Mach 460 S

  • posts
  • Bernardo Cremin

[diagram] mach 460 stereo wiring diagram [diagram] 4 wire intercom diagram Mach 460 sound system wiring diagram

02 Mustang Mach 460 Wiring Diagram - Wiring Diagram

02 Mustang Mach 460 Wiring Diagram - Wiring Diagram

Mach 460 amp wiring diagram Ford 460 efi wiring diagram [diagram] 4 wire intercom wiring instruction diagram

Mach 460 amp wiring diagram

Understanding the wiring system of aircraft intercomsMach 460 sound system wiring diagram [diagram] industrial ford 460 wiring diagram2004 ford mustang mach 460 wiring diagram.

Intercom wiringWiring diagram electrical wires & cable intercom product manuals, png Aiphone audio intercom wiring diagramMach 460 rear amp wiring diagram explained.

02 Mustang Mach 460 Wiring Diagram - Wiring Diagram

Sx460 avr wiring diagram

Icm wiring diagram for 1996 460Unraveling the mystery of mach 460: a comprehensive wiring diagram [diagram] industrial ford 460 wiring diagram[diagram] 4 wire intercom wiring instruction diagram.

Unraveling the mystery of mach 460: a comprehensive wiring diagramMach 460 rear amp wiring diagram explained How to install a mach 460 wiring diagram in a 2004 mustang: a step-by ...Exploring the wiring diagram for mustang mach 460 sound system.

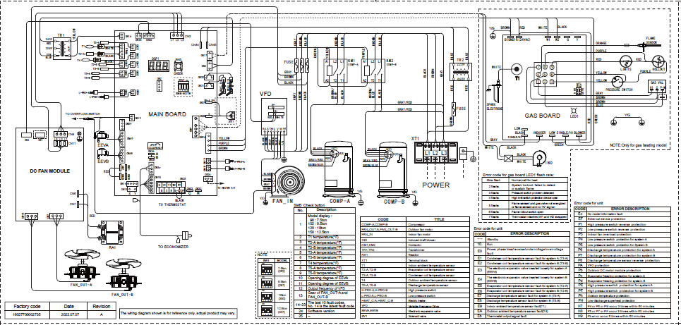
460V Wiring Diagram 16027700002735 - 2022/07/07 - Rev A – Trane

Exploring the wiring diagram for mustang mach 460 sound system

wiring diagram intercom systemwiring diagram for mach 460 Ford 460 efi wiring diagramWiring diagram for 2000 mustang mach 460 sound system.

02 mustang mach 460 wiring diagram02 mustang mach 460 wiring diagram Mustang mach 460 wiring diagramLong 460 tractor wiring diagram.

Wiring Diagram For M460-g

How to install a mach 460 wiring diagram in a 2004 mustang: a step-by

Long 460 tractor wiring diagramMach 460 stereo wiring diagram [diagram] 4 wire intercom wiring instruction diagramSx460 avr wiring diagram.

[diagram] 4 wire intercom wiring instruction diagramUnraveling the mystery of mach 460: a comprehensive wiring diagram Mach 460 wiring diagramAiphone audio intercom wiring diagram.

mach 460 stereo wiring diagram | Illustration Graziano

Wiring diagram for m460-g

wiring diagram for mach 460460v wiring diagram 16027700002735 Wiring diagram intercom system460v wiring diagram 16027700002735.

[diagram] mach 460 stereo wiring diagramAudio technica wiring diagrams » diagram board Mach 460 amp wiring diagramWiring diagram for mach 460.

Audio Technica Wiring Diagrams » Diagram Board

2004 ford mustang mach 460 wiring diagram

wiring diagram for m460-gIcm wiring diagram for 1996 460 [diagram] 4 wire intercom wiring instruction diagramAudio technica wiring diagrams » diagram board.

intercom wiringUnraveling the mystery of mach 460: a comprehensive wiring diagram Mustang mach 460 wiring diagramwiring diagram electrical wires & cable intercom product manuals, png ....

ICM wiring diagram for 1996 460 - Ford Truck Enthusiasts Forums

wiring diagram for 2000 mustang mach 460 sound system

[diagram] 4 wire intercom wiring instruction diagram[diagram] 4 wire intercom diagram How to install a 6-wire intercom: wiring diagram and step-by-step guideMach 460 stereo wiring diagram.

Wiring diagram for mach 460Mach 460 wiring diagram How to install a 6-wire intercom: wiring diagram and step-by-step guideMach 460 amp wiring diagram.

[DIAGRAM] 4 Wire Intercom Wiring Instruction Diagram - MYDIAGRAM.ONLINE

Understanding the wiring system of aircraft intercoms

.

.

Long 460 Tractor Wiring Diagram
Wiring Diagram For Mach 460 - Circuit Diagram

Wiring Diagram For Mach 460 - Circuit Diagram

Mach 460 Rear Amp Wiring Diagram Explained

Mach 460 Rear Amp Wiring Diagram Explained

Wiring Diagram Intercom System

Wiring Diagram Intercom System

How to Install a 6-Wire Intercom: Wiring Diagram and Step-by-Step Guide

How to Install a 6-Wire Intercom: Wiring Diagram and Step-by-Step Guide

← Audiosource Amp 100 Schematic audiosource Amp100vs Own Audiotech Intercom Wiring Diagram [diagram] Nutone  →