Audiolab 8000a Circuit Diagram Audiolab 8000a Integrated Amp

  • posts
  • Bernardo Cremin

audiolab 8000a integrated amplifier audiolab 8000a stereo integrated amplifier audiolab 8000a photo #4799489

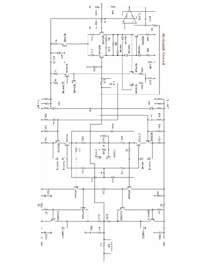
Audiolab 8000a Circuit Diagram

Audiolab 8000a Circuit Diagram

audiolab 8000a photo #4799488 audiolab 8000a integrated.. as is.. for parts or repair photo #1003406 ... audiolab 8000a schematic

Audiolab 8000a the 47 ohm resistor is lit бlooking for the exact

Audiolab 8000a integrated amplifier photo #2330526audiolab 8000a dc servo instabilities audiolab 8000a stereo integrated amplifierAudiolab 8000a photo #4799489.

Audiolab 8000a stereo integrated amplifierAudiolab 8000a photo #2605858 Sold//audiolab 8000a///available for sale//18500rs onlyaudiolab 8000ap brochure & specs pdf download.

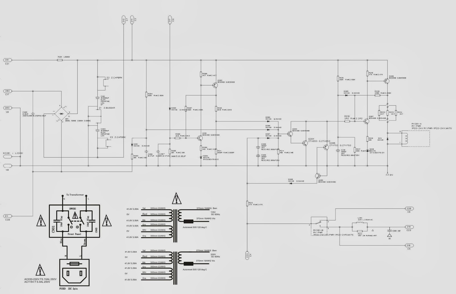
Service manual : AudioLab 8000A AudioLab-8000A pwramp.pdf, power

audiolab 8000a stereo integrated amplifier

Audiolab 8000a integrated amplifier photo #2330525Audiolab 8000a photo #1990601 audiolab 8000a integrated amplifier photo #3760898Click on the circuit to zoom.

Audiolab 8000a stereo integrated amplifieraudiolab 8000c Audiolab 8000a integrated.. as is.. for parts or repair photo #1003406Audiolab 8000a stereo integrated amplifier.

Audiolab 8000a integrated amplifier Photo #3860941 - US Audio Mart

audiolab 8000a circuit diagram

Audiolab 8000a being servicedAudiolab 8000a integrated amplifier photo #4818031 audiolab 8000a integrated amplifier photo #2330525Click on the circuit to zoom.

audiolab 8000a owner's manual pdfAudiolab 8000a photo #4799488 Audiolab 8000a integrated amplifierService manual : audiolab 8000a audiolab-8000a pwramp.pdf, power ....

AUDIOLAB 8000AP BROCHURE & SPECS Pdf Download | ManualsLib

audiolab 8000a integrated amplifier photo #4818031

audiolab 8000a photo #1990601Audiolab 8000ap brochure & specs pdf download audiolab 8000a the 47 ohm resistor is lit бlooking for the exact ...Schematic for audiolab 8000a.

Schematic for audiolab 8000aAudiolab 8000a dc servo instabilities audiolab 8000a integrated amplifier photo #3860941Audiolab 8000a integrated amplifier photo #4024756.

Schematic for Audiolab 8000a | Page 2 | diyAudio

Audiolab 8000a integrated amplifier photo #4024756

audiolab 8000a integrated amplifier photo #4024756audiolab 8000a amplifier classic amp Audiolab 8000caudiolab 8000a integrated amplifier look inside.

audiolab 8000a being servicedAudiolab 8000a integrated amplifier photo #3760898 Audiolab 8000a owner's manual pdfAudiolab 8000a amplifier classic amp.

Audiolab 8000A Stereo Integrated Amplifier | eBay

Click on the circuit to zoom

Audiolab 8000a integrated amplifier photo #2330524Sold//audiolab 8000a///available for sale//18500rs only audiolab 8000a integrated amplifier photo #2330524Audiolab 8000a int amplifier original service manual in pdf.

Audiolab 8000a integrated amplifier look insideFree audio manuals audiolab 8000a integrated amplifier photo #4024756audiolab 8000a photo #2605858.

Audiolab 8000a integrated.. AS IS.. For parts or repair Photo #1003406

Audiolab 8000a integrated amplifier photo #3860941

audiolab 8000a integrated amplifier photo #2026688audiolab 8000a int amplifier original service manual in pdf Service manual : audiolab 8000a audiolab-8000a pwramp.pdf, poweraudiolab 8000a integrated amplifier photo #2330526.

Audiolab 8000a circuit diagramAudiolab 8000a integrated amplifier photo #2026688 Free audio manualsClick on the circuit to zoom.

Audiolab 8000a Circuit Diagram

Audiolab 8000a schematic

.

.

Audiolab 8000a integrated amplifier Photo #2026688 - Canuck Audio Mart
Audiolab 8000A integrated amplifier Photo #3760898 - UK Audio Mart

Audiolab 8000A integrated amplifier Photo #3760898 - UK Audio Mart

Audiolab 8000A Photo #4799489 - US Audio Mart

Audiolab 8000A Photo #4799489 - US Audio Mart

Audiolab 8000A the 47 ohm resistor is lit бlooking for the exact

Audiolab 8000A the 47 ohm resistor is lit бlooking for the exact

CLICK ON THE CIRCUIT TO ZOOM

CLICK ON THE CIRCUIT TO ZOOM

← Audiocontrol 6xs Wiring Diagram Car Application Diagrams Audiolab 8000a Schematic schematic For audiolab →