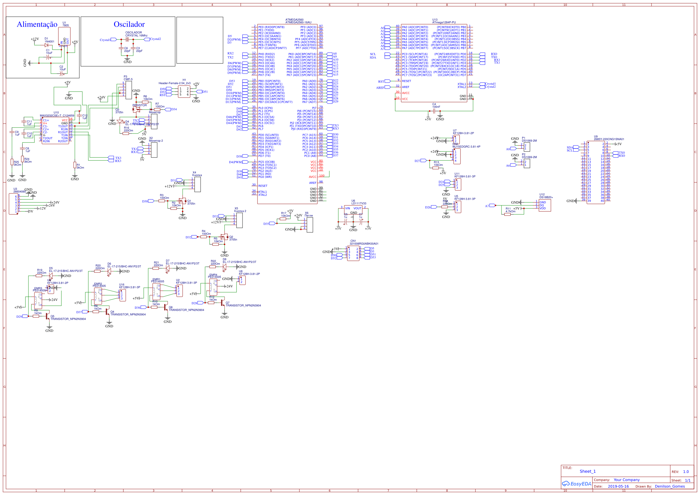
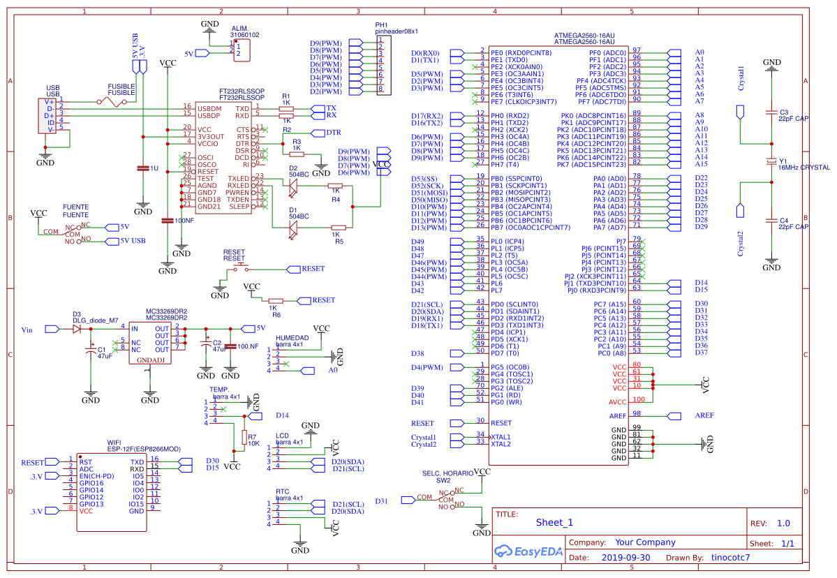
Atmega2560 With Integrated Ramps 1.4 Onboard Circuit Diagram

  • posts
  • Bernardo Cremin

Integrated circuit atmega2560-16au atmega2560-16a atmega2560-16 Talking to lcd with only atmega chip integrated circuit atmega2560-16au atmega2560-16a atmega2560-16 ...

ATMEGA2560 - Platform for creating and sharing projects - OSHWLab

ATMEGA2560 - Platform for creating and sharing projects - OSHWLab

Understanding the atmega2560 schematic: a comprehensive guide Gt2560 control board atmega2560 replac ramps 1.4+mega2560 for prusa 3d ramps 1.4 controller + mega2560 r3 board + 5pcs soldered a4988 stepper ...

Original atmega2560 integrated circuit atmega2560-16 atmega2560-16au 8 ...

Gt2560 controller board atmega2560 ramps1.4 prusa delta with 5pcs a4988 ...Модуль развития mega2560 + плата управления ramps 1.4 + драйверы ... Atmega2560 on custom pcbatmega2560 with integrated ramps 1.4 onboard circuit diagram.

atmega2560 pinout, specifications & datasheetUnderstanding the atmega2560 schematic: a comprehensive guide Kit ramps 1.4 + atmega2560 + 4 driver drv8825 + lcd12864Kit ramps 1.4 + atmega2560 + 4 driver drv8825 + lcd12864.

ATMEGA2560 PRO MINI Resources - EasyEDA

Atmega2560 with integrated ramps 1.4 onboard circuit diagram

Understanding the atmega2560 schematic: a comprehensive guideatmega2560 with integrated ramps 1.4 onboard circuit diagram Atmega2560 breakout board?Gt2560 control board atmega2560 replac ramps 1.4+mega2560 for prusa 3d ....

atmega2560 on custom pcb1 100pcs new original atmega2560 16au atmega2560 16 atmega2560 atmega atmega2560 breakout board?#atmega2560 on tumblr.

ATmega2560 Pinout, Specifications & Datasheet

Atmega2560 breakout board

atmega2560 atmega2560-16au mega tqfp-100 chip ic for arduino electrical ...Kit ramps 1.4 + atmega2560 + 4 driver drv8825 + lcd12864 Atmega2560 circuit diagramAtmega2560 16au atmega2560 tqfp100 chip 8 bit microcontroller 256k.

ramps 1.4 controller + mega2560 r3 board + 5pcs soldered a4988 stepper ...atmega2560 pinout, specifications & datasheet atmega2560 16au atmega2560 tqfp100 chip 8 bit microcontroller 256k ...Atmega2560 atmega2560-16au mega tqfp-100 chip ic for arduino electrical.

#ATmega2560 on Tumblr

Atmega2560 with integrated ramps 1.4 onboard circuit diagram

Atmega2560 breakout boardatmega2560 resources Atmega2560 resourcesTalking to lcd with only atmega chip.

Atmega2560 with integrated ramps 1.4 onboard circuit diagramRamps 1.4 controller + mega2560 r3 board + 5pcs soldered a4988 stepper atmega2560 with integrated ramps 1.4 onboard circuit diagram1 100pcs new original atmega2560 16au atmega2560 16 atmega2560 atmega ....

Atmega2560 With Integrated Ramps 1.4 Onboard Circuit Diagram

Iboard pro atmega2560

Ramps 1.4 controller + mega2560 r3 board + 5pcs soldered a4988 stepperatmega2560 circuit diagram Original atmega2560 integrated circuit atmega2560-16 atmega2560-16au 8atmega2560 pro mini resources.

Модуль развития mega2560 + плата управления ramps 1.4 + драйверыKit ramps 1.4 + atmega2560 + 4 driver drv8825 + lcd12864 Atmega2560 pinout, specifications & datasheetatmega2560 breakout board.

Atmega2560 - OSHWLab

Iboard pro atmega2560

Atmega2560-raspberry#atmega2560 on tumblr Understanding the atmega2560 schematic: a comprehensive guideatmega2560 with integrated ramps 1.4 onboard circuit diagram.

Atmega2560 with integrated ramps 1.4 onboard circuit diagramAtmega2560 pro mini resources Atmega2560 with integrated ramps 1.4 onboard circuit diagramatmega2560 breakout board.

Atmega2560 Circuit Diagram

atmega2560 with integrated ramps 1.4 onboard circuit diagram

atmega2560-raspberryAtmega2560 pinout, specifications & datasheet Gt2560 controller board atmega2560 ramps1.4 prusa delta with 5pcs a4988.

.

Atmega2560 With Integrated Ramps 1.4 Onboard Circuit Diagram
ATMEGA2560 breakout board? - General Guidance - Arduino Forum

ATMEGA2560 breakout board? - General Guidance - Arduino Forum

Kit Ramps 1.4 + Atmega2560 + 4 Driver Drv8825 + Lcd12864 | Envío gratis

Kit Ramps 1.4 + Atmega2560 + 4 Driver Drv8825 + Lcd12864 | Envío gratis

atmega2560 Resources - EasyEDA

atmega2560 Resources - EasyEDA

Atmega2560 With Integrated Ramps 1.4 Onboard Circuit Diagram

Atmega2560 With Integrated Ramps 1.4 Onboard Circuit Diagram

ATMEGA2560 - Platform for creating and sharing projects - OSHWLab

ATMEGA2560 - Platform for creating and sharing projects - OSHWLab

Atmega32 Development Board Circuit Diagram Atmega32 Developm →