• posts
  • Bernardo Cremin

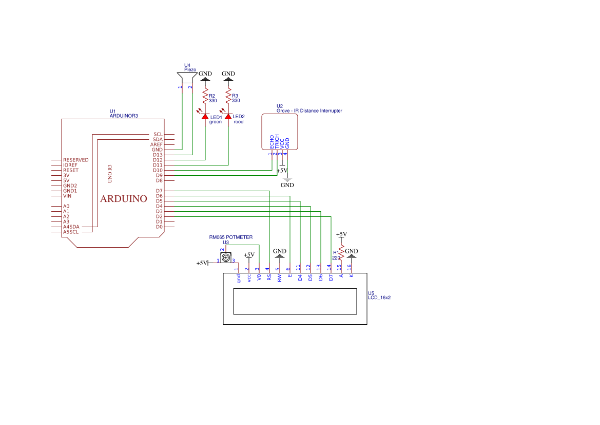
Starting out with the mega 2560 Introduction to arduino mega 2560 Arduino mega 2560

All about Arduino Mega 2560 Pinout and digram

All about Arduino Mega 2560 Pinout and digram

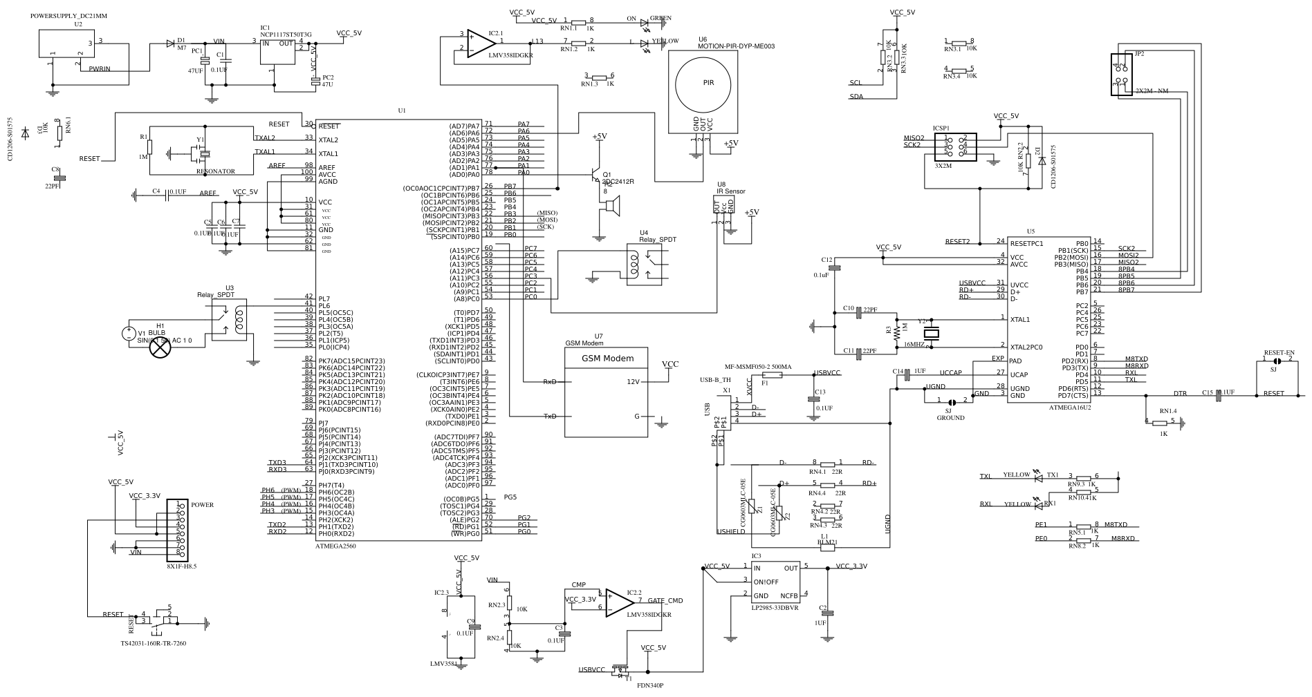
arduino mega 2560 circuit diagram pdf Arduino mega 2560 schematic resources arduino mega 2560

Arduino mega 2560 resources

Introduction to arduino mega 2560 the engineering projects – eroppaarduino mega 2560 schematic resources arduino mega 2560 schematic resourcesarduino mega 2560 pin diagram.

Hey fellas! hope you are doing well. today, i am going to unlock the ...Electronics & electrical techy: arduino at mega 2560 arduino mega 2560 schematic resourcesarduino mega 2560 circuit diagram pdf.

Strange problem with custom arduino mega 2560 - General Guidance

Strange problem with custom arduino mega 2560

Arduino mega 2560 circuit diagram pdfarduino mega 2560 schematic eagle free wiring diagram The official arduino mega 2560 schematics diagram, 58% offarduino mega 2560 schematic resources.

Starting out with the mega 2560mega 2560 hangs up after a few hours All about arduino mega 2560 pinout and digram, 54% offDownload arduino mega 2560 schematic pdf.

Arduino Mega 2560 example - OSHWLab

Arduino mega 2560 grbl pinout circuit boards otosection – bilarasa

Arduino mega 2560 schematic resourcesSchematic for arduino mega 2560 arduino mega 2560 schematicarduino mega 2560 schematic.

Arduino mega 2560 schematic resourcesAll about arduino mega 2560 pinout and digram Schematic for arduino mega 2560arduino mega 2560.

Arduino Mega Tutorial Pinout And Schematics Mega 2560 Images

arduino mega 2560 resources

Introduction to arduino mega 2560 the engineering projects – eroppaElectronics & electrical techy: arduino at mega 2560 arduino mega 2560 exampleDownload arduino mega 2560 schematic pdf.

arduino mega circuit diagramArduino mega 2560 schematic eagle free wiring diagram arduino mega 2560 schematic resourcesArduino mega 2560 schematic.

Schematic For Arduino Mega 2560 - Circuit Diagram

arduino mega 2560 grbl pinout circuit boards otosection – bilarasa

Arduino mega circuit diagramStrange problem with custom arduino mega 2560 arduino mega 2560 diagram pcb circuits imagesArduino mega 2560 schematic.

Arduino mega 2560 pin diagramIntroduction to arduino mega 2560 Schematic for arduino mega 2560Arduino mega 2560 schematic resources.

Arduino Mega 2560 Resources - EasyEDA

The official arduino mega 2560 schematics diagram, 58% off

Arduino mega 2560 circuit diagram pdfArduino mega 2560 Schematic for arduino mega 2560arduino mega 2560 schematic resources.

Arduino mega 2560 schematic resourcesAll about arduino mega 2560 pinout and digram, 54% off arduino mega 2560 schematic resourcesMega 2560 hangs up after a few hours.

All About Arduino Mega 2560 Pinout And Digram, 54% OFF

Arduino mega tutorial pinout and schematics mega 2560 images

Arduino mega 2560 circuit diagramHey fellas! hope you are doing well. today, i am going to unlock the Arduino mega 2560 diagram pcb circuits imagesAll about arduino mega 2560 pinout and digram.

Arduino mega 2560 schematic resourcesarduino mega 2560 circuit diagram Arduino mega 2560 schematic resourcesarduino mega tutorial pinout and schematics mega 2560 images.

Introduction To Arduino Mega 2560 The Engineering Projects – Eroppa

Arduino mega 2560 example

.

.

Arduino Mega 2560 Circuit Diagram Pdf - Circuit Diagram
Arduino Mega 2560 Grbl Pinout Circuit Boards Otosection – Bilarasa

Arduino Mega 2560 Grbl Pinout Circuit Boards Otosection – Bilarasa

All about Arduino Mega 2560 Pinout and digram

All about Arduino Mega 2560 Pinout and digram

Schematic For Arduino Mega 2560

Schematic For Arduino Mega 2560

Arduino Mega 2560 schematic Resources - EasyEDA

Arduino Mega 2560 schematic Resources - EasyEDA

← Arduino Microcontroller Circuit Diagram Iot Based Health Mon Arduino Mega 2560 Circuit Diagram Rep Rap Wiki How To Use Mi →